
Продовжуючи переглядати rc-hobby.com.ua ви
підтверджуєте що ознайомилися з Правилами користування
сайтом і погоджуєтеся з політикою конфіденційності
Я погоджуюсь
Готівкою кур'єру, післяплата, банківською карткою, платіжний термінал, безготівковий розрахунок
Купівля в кредит
Придбайте товар у розсрочку
обмін і повернення товару 14 днів
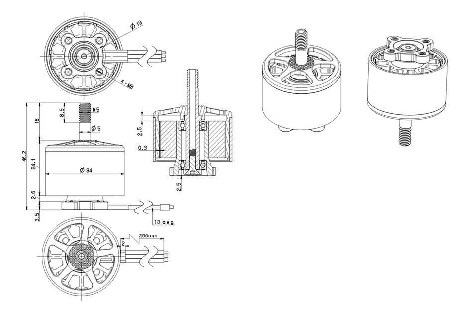
BrotherHobby Avenger 2816 810KV — це високоякісний безколекторний двигун, розроблений для 4–6S живлення, з вражаючою максимальною тягою до 3523 г та потужністю 1303 Вт.
Завдяки компактним розмірам, титановому валу та довгим дротам він забезпечує плавну роботу без перегріву, ідеально підходячи для великих FPV-дронів 8–10", крил та мультикоптерів.
Просто підключіть і відчуйте максимальну ефективність у польотах!
Призначення: Ідеально для ентузіастів, які будують потужні дрони, крила чи мультиротори — отримайте стабільну тягу та довговічність для фрістайлу, аерофото чи лонг-рейнджу без компромісів!
Магазин RC-Hobby пропонує гарантію та підтримку на всі куплені у нас радіокеровані моделі та обладнання.
Дізнавайтеся про знижки
та умови доставки —
ЗАМОВЛЯЙТЕ!
|
1 850 грн
Купити
|
Получить бонус
Відгуків поки ніхто не залишив. Ви будете першим