
Продовжуючи переглядати rc-hobby.com.ua ви
підтверджуєте що ознайомилися з Правилами користування
сайтом і погоджуєтеся з політикою конфіденційності
Я погоджуюсь
Готівкою кур'єру, післяплата, банківською карткою, платіжний термінал, безготівковий розрахунок
Купівля в кредит
Придбайте товар у розсрочку
обмін і повернення товару 14 днів
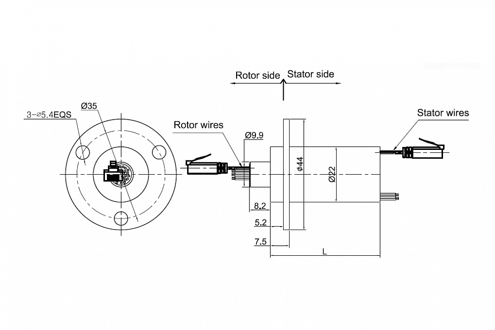
ME1221 підтримує 1-канальний 1000M базовий T Ethernet контактні кільця, з компактним зовнішнім діаметром 22 мм, фланцеве кріплення, може передавати сигнал Ethernet 100M/1000M, який є стабільним, без втрати пакетів, без рядка коду, малі зворотні втрати, низькі внесені втрати, Сильний можливість запобігання перешкодам, також можна змішувати з електричне живлення та сигнальний канал?Військова технологія покриття?Наднизька частота помилок BER.
Получить бонус
Відгуків поки ніхто не залишив. Ви будете першим